Centrifugal Fans — Series U/HPH 

High-pressure centrifugal fans designed for industrial air and gas transport, including air with suspended solid particles.

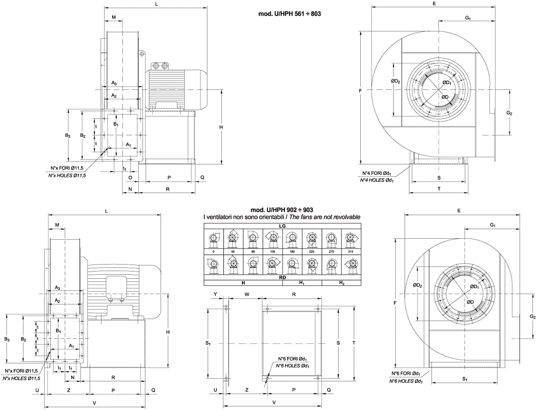
The U/HPH series centrifugal fans are engineered to convey air and gases — even containing solid particulate matter in suspension — up to a temperature of 80 °C. These fans are well suited for applications where higher pressure and robust handling capability are needed, such as industrial extraction, pneumatic transport support, and air movement in demanding conditions. 

Contact us

 

The U/HPH centrifugal fans are designed for:
  • Industrial air and gas extraction

  • Conveying of air with suspended solid particles

  • High-pressure air movement applications

  • Integration into ducted systems with moderate to high resistance

  • Installation where robust reliability and continuous duty are required

Built with a durable centrifugal casing and high-performance impellers, the U/HPH series ensures steady operation even in challenging industrial environments. 

Applications

Industrial Air & Gas Exhaust

Extraction of air • Particulate-laden gases

Pneumatic Conveying Support

Air streams • Light particulate transport

Dusty Air Environments

Fine particulates • Non-abrasive handling

Ducted Systems with High Static Resistance

Elevated pressure • Overcoming system resistance

DISCOVER OTHER PRODUCTS