Centrifugal Fans — Series U/TM
High-pressure centrifugal fans designed for industrial use with dusty air and pneumatic conveying support.
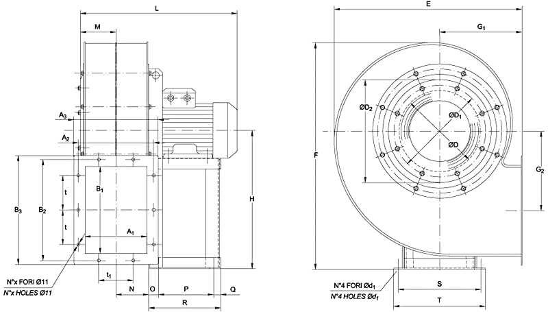
The U/TM series centrifugal fans are engineered to take up air, even very dusty air containing suspended materials, at temperatures up to 80 °C. They deliver medium-to-high pressure performance suitable for industrial ventilation, pneumatic conveying assistance, and extraction systems with resistance to dust buildup.
The U/TM centrifugal fans are designed for:
- Industrial ventilation and extraction where higher pressure is required
- Systems handling dusty air or material-laden air streams
- Pneumatic conveying support for light bulk materials
- Integration with medium-pressure ducted networks
Thanks to their rugged construction and carefully balanced impellers, these fans maintain stable operation even in conditions where normal impellers may become obstructed.